招投标公告

歙县自来水有限公司2024-2025年光电直读NB-iot远传水表招标采购项目成交结果公告

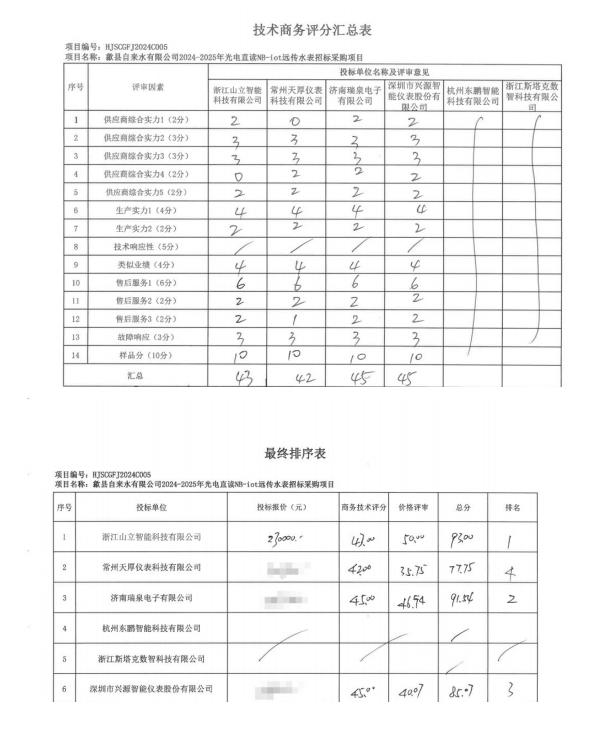
一、项目编号:HJSCG2024FJC005

二、项目名称:歙县自来水有限公司2024-2025年光电直读NB-iot远传水表招标采购项目

三、中标(成交)信息

供应商名称:浙江山立智能科技有限公司 

供应商地址:浙江省杭州市余杭区仁和街道仁河大道516号1幢4楼401室 

中标(成交)金额:23万元

四、主要标的信息

货物类

名称:光电直读远传水表

品牌(如有):山立

规格型号:LXSGY-25N

数量:20

单价:230元 

五、评审专家(单一来源采购人员)名单:曹海、施学续、罗慧健 

六、代理服务收费标准及金额:按合同约定,2500元。

七、公告期限

自本公告发布之日起1个工作日。

八、其他补充事宜

1.本项目采购方式:竞争性磋商

2.无效供应商及原因:浙江斯塔克数智科技有限公司、杭州东鹏智能科技有限公司符合性评审不通过。

3.中标(成交)供应商业绩:

3.1浙江衢州水业集团有限公司水表采购项目;

3.2龙游华水公司2023年远传水表采购项目;

4.对中标(成交)结果有质疑的,供应商最迟应在本公告期限届满之日起七个工作日内,按照财政部《政府采购质疑和投诉办法》和本项目采购文件的规定以书面形式(纸质提交)在工作时间内向采购人或采购代理机构提出。若供应商对质疑处理意见有异议,可在规定时间内以书面形式(纸质提交)向乐玩网页版项目管理部提出投诉。

5.质疑函、投诉书范本详见黄山市公共资源交易中心门户网站——服务指南——资料下载专区。

九、凡对本次公告内容提出询问,请按以下方式联系。

1.采购人信息

   称:歙县自来水有限公司

   址:歙县二环路(歙县自来水公司二水厂)

联系方式:0559-6516910

2.采购代理机构信息

   称:安徽方佳项目管理有限公司 

   址:歙县紫阳路188号4楼

联系方式:0559-6519795

3.项目联系方式

项目联系人:方女士

电   话:0559-6519795

十、附件 

481a0e2e25c0018e606aa678bd99431.png

版权所有:乐玩网页版     皖ICP备19011087号     皖公网安备 34102102000232号
办公地址:安徽省黄山市歙县郑村镇郑村经一路1号   办公电话:0559-6521166

0559-6521166

安徽省黄山市歙县郑村镇郑村经一路1号

关注官方微信